Piec na pellet to w zasadzie piec ogrzewany drewnem, przy czym drewno ma specjalny kształt (sprasowane odpady i wióry drewniane), na przykład występują w formie pałeczek o długości od 20 do 50 milimetrów. Kupując pellet do pieca, warto sięgnąć po paliwa posiadające certyfikat EN plus A1, które obok wysokiej jakości i powtarzalności zapewniają również wysoką wydajność pieca. Dodatkowo wymagania dla pieców dotyczą emisji drobnego pyłu, która nie może przekraczać 2,5 mg/m? spalin. Wartość taką czesto można jedynie uzyskać po zastosowaniu specjalnego filtra lub oddzielnego separatora cząstek spalin.
Oczywiście piece na pellet pracują bardzo wydajnie tylko przy spalaniu wysokiej jakości, jednolitego pelletu drzewnego. W takim przypadku emitują one do atmosfery tyle CO2, ile wcześniej drzewa przekształcą CO2 w tlen w ciągu swojego życia. Z tego względu piece na pellet uważa się za niemal neutralne pod względem emisji CO2, a sam pellet uznawany jest jako paliwo odnawialne.

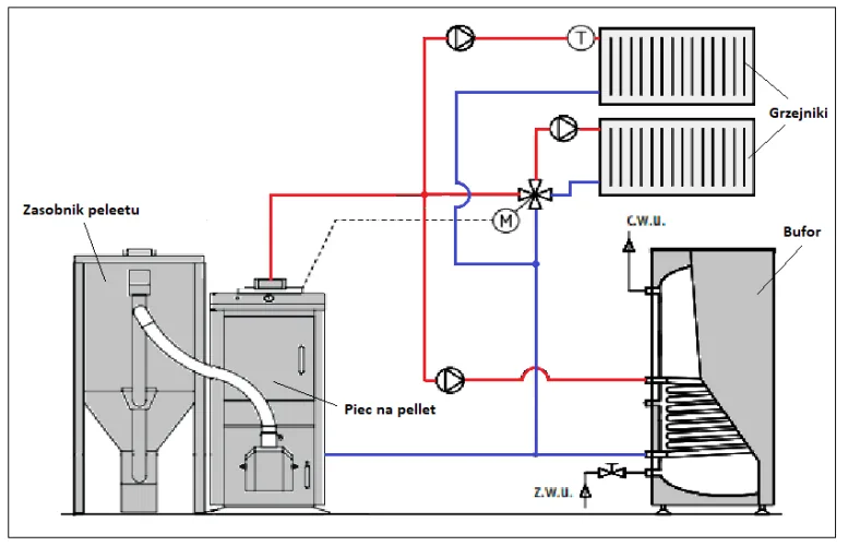
Okazuje się, że nowoczesne piece na pellet są zdecydowanie bardziej zaawansowanymi urządzeniami w porównaniu do zwykłych pieców zasypowych. Szczególnie wartymi polecenia są piece pelletowe wyposażone w płaszcz wodny, który odbiera ciepło spalania do ogrzania wody przepływającej przez piec. W takim przypadku spalanie pelletu nie odbywa się w sposób ciągły, a jest włączane w sytuacji spełnienia określonych warunków (na przykład spadek temperatury wody obiegowej, czy spadek temperatury w zasobniku wodnym).
Piece na pellet mogą posiadać kilka lub kilkanaście sensorów i sterowane są za pomocą specjalnego sterownika, który nadzoruje proces spalania paliwa w piecu (nie ma konieczności utrzymywania ciągłości procesu spalania paliwa).
Teoretycznie pellet posiada ok 40% niższą watość opałową niż EkoGroszek, jednakaże to drugie paliwo wymaga pracy ciągłej co przekłada się na większe jego zużycie (niż pelletu).

Piece na pellet są bardzo wygodne w obsłudze, ponieważ po napełnieniu pieca paliwęm spala się ono całkowicie automatycznie i pojedyncze napełnienie pieca wystarcza na kilka lub nawet kilkanaście dni (okres zależny od temperatury zewnętrznej). Przy pełnym obciążeniu pieca na pellet o mocy 10 kilowatów spala on do 2,5 kilograma pelletu na godzinę (worek o wadze 15 kilogramów wystarcza na okres od siedmiu do maksymalnie 30 godzin. Przy mniejszych mocach pieca worek pelletu (zawiera 15 kg paliwa) wystarczy na okres znacznie dłuższy. Oczywiście podczas spalania pelletu powstaje odpad w postaci popiołu, ale jest go zdecydowanie mniej niż przy spalaniu węgla, czy EkoGroszuku (ok. 1,5 % masy wsadowej pelletu). Producenci pieców na pellet zalecają ich czyszczenie przynajmniej 1 raz w tygodniu.

Szacunkowo można przyjąć, że 1 tona pelletu pozwala na wytworzenie ok. 5000 kWh energii cieplnej, co jest stosunkowo małą ilością w porównaniu do energii wytworzonej z węgla kamiennego, którą szacuje się na 8.000 kWh/tona. Jednakże spalając węgiel kamienny dużą część energii spalania wydostaje się do atmosfery. W zależności od klasy pieca sprawność procesu spalania wynosi 50-90 % (wyższą wartość są w stanie osiągnąć piece klasy 5). Nowoczesne piece na pellet (z płaszczem wodnym) mogą osiągać sprawność rzędu 90-95 procent, przy czym wyższą sprawność posiadają instalacje posiadające bufor ciepłej wody (w ten sposób możemy ograniczyć ilość włączeń i wyłączeń pieca).

Można przyjąć, że im większa pojemność bufora tym lepiej (układ posiada wyższą sprawność układu grzewczego).
Piece na pellet szczególnie dobrze sprawdzają się jako źródło ogrzewania szczytowego w układach z pompami ciepła (w momencie, gdy występują bardzo niskie temperatury na zewnętrz). Pompa ciepła jeśli nie jest w stanie zapewnić wystarczającej ilości energii cieplnej włącza grzałkę elektryczną, któej COP wynosi 1:1. W trakcie zimy, przy temperaturach zewnętrznych poniżej -5 C zdecydowanie lepszym rozwiązaniem jest wspomożenie pompy ciepła układem szczytowym bazującym na piecu na pellet (może mięć mniejszą moc niż cały układ hybrydowy składający się z pieca na pellet i pompy ciepła). Więcej na temat doboru pomp ciepła można znaleźć tutaj ->>> Dobór pompy ciepła <<<-.
Rozwiązanie takie pozwoli ograniczyć, a może nawet wykluczyć sytuacje, w których pompa ciepła włącza grzałki, zużywające ogromne ilości energii elektrycznej. Rozwiązanie jest szczególnie polecane w sytuacji, gdy klient ma źle dobraną pompę ciepła, która w okresach występowania niskich temperatur w większości okresów występowania niskich temperatur włącza grzałkę elektryczną.

Podłączenie pieca na pellet wiąże się z poniesieniem dodatkowych kosztów (oprócz samego pieca), a składają się na nie:
-> Wstawienie wkładu ze stali nierdzewnej do komina,
-> Zapewnienie odpowiedniej ilości powietrza (instalacja rurowa zapewniająca dopływ świeżego powietrza)
-> Zabudowa bufora ciepłej wody (zbiornika ciepłej wody, jest to opcja)
-> Wykonanie podłączeń do instalacji grzewczej (lub wykonanie jej od zera, gdy piec na pellet będzie stanowił układ ogrzewania podstawowego)
-> Wykonanie odwodnień i odpowietrzeń instalacji grzewczej

Planując inwestycję w piec na pellet można skorzystać z dotacji w ramach program ”Czyste powietrze”, dzięki któremu możemy uzyskać wsparcie na poziomie wynoszącym nawet 100% kosztów kwalifikowanych. Na pewno inwestycja w taki piec może się szybko zwrócić, biorąc pod uwagę fakt, że może on służyć zarówno do ogrzewania budynku, jak również do ogrzewania ciepłej wody, przeznaczonej do celów użytkowych.
Ogrzewanie pelletem jest ciekawą opcją, biorąc pod uwagę ograniczenia które już niedługą będą występowały zarówno w zakresie stosowania takich paliw jak gaz ziemny, czy paliwa kopalne.




